Please note that change of context may affect the pricing and availability of the existing items in the cart
There was an unexpected error retrieving your customer data. Please try again later.
Choose Account Settings
Choose your account setting to continue*:
Main Account
(Sold To)
(Sold To)
Job Account/Sub Account
(Payer)
(Payer)
Show Availability For
Location
(Ship-To)
(Ship-To)
Changing the selections above may affect product pricing and availability, including items currently in your cart.
Loading
- I want to update or add a...
- Main Account (Sold-To)
- Job Account/Sub Account (Payer)
- Location (Ship-to)
- Need Help? Visit our Help Center or Contact Us
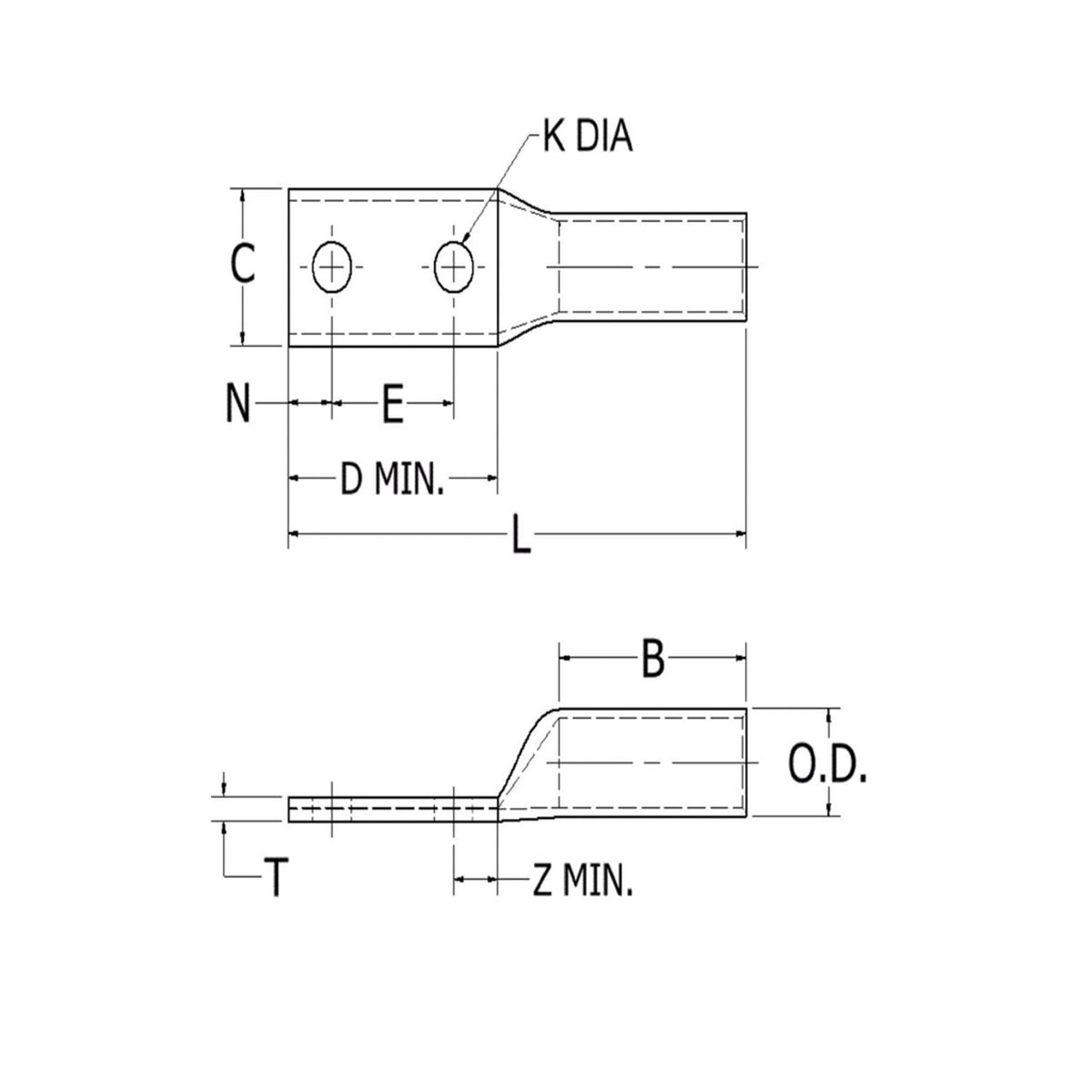
Burndy YA Series Long Barrel Compression Lugs 1/2 in 2 Hole Black 750 Cu
Mfg #:
YA392NNT
BOR #:
2925772
| Brand | Burndy |
| Color Code | Black |
| Voltage | 35 kV |
| Stud Hole Size | 1/2 in |
| Number of Holes | 2 Hole |
| Hole Spacing | 1.75 in |
| Material | Copper |
| Barrel | Long Barrel |
| Conductor Material | Copper |
| Overall Length | 6.87 in |
| Tongue Width | 1.63 in |
| Conductor Size | 750 Cu |
| Type | Compression Lug |
| Series | YA-2N, YA-2TC, YA-4N |
The name already exists. Please enter a unique name.
Already Exists
List created successfully
You successfully added the product to your list with minimum order quantity.
Product Added
List updated successfully
empty name
There was a problem adding this product to your list. This may be because your list already contains 50 items.

