Please note that change of context may affect the pricing and availability of the existing items in the cart
There was an unexpected error retrieving your customer data. Please try again later.
Choose Account Settings
Choose your account setting to continue*:
Main Account
(Sold To)
(Sold To)
Job Account/Sub Account
(Payer)
(Payer)
Show Availability For
Location
(Ship-To)
(Ship-To)
Changing the selections above may affect product pricing and availability, including items currently in your cart.
Loading
- I want to update or add a...
- Main Account (Sold-To)
- Job Account/Sub Account (Payer)
- Location (Ship-to)
- Need Help? Visit our Help Center or Contact Us
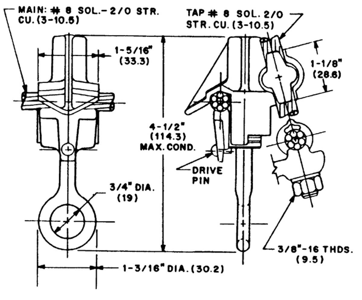
Hubbell Power BC20 Hot Line Clamps 2/0 (Stranded) AWG 8 (Solid) AWG
Mfg #:
BC20FTP
BOR #:
1177197
Fargo® Overhead Primary Tap Hot Line Tap Clamp, Conductor Outer Diameter: 0.128 - 0.414 IN, Wire Size: 8 AWG Solid - 2/0 AWG Stranded Copper With AR Main, 8 AWG Solid - 2/0 AWG Stranded Copper With AR Tap, Dimension: 1-1/4 IN Length X 5 IN Height, Finish:
- Excellent resistance to oil and moisture
- Good tensile strength, elongation and aging characteristics
- High flexibility
- Excellent abrasion resistance
- Fully annealed stranded bare copper
- Ozone-, sunlight (UV)- and weather-resistant
- TRU-Mark sequential footage marking
| Brand | Hubbell Power |
| Minimum Tap Conductor Size | 8 (Solid) AWG |
| Minimum Run Conductor Size | 8 (Solid) AWG |
| Maximum Tap Conductor Size | 2/0 (Stranded) AWG |
| Maximum Run Conductor Size | 2/0 (Stranded) AWG |
The name already exists. Please enter a unique name.
Already Exists
List created successfully
You successfully added the product to your list with minimum order quantity.
Product Added
List updated successfully
empty name
There was a problem adding this product to your list. This may be because your list already contains 50 items.


