Please note that change of context may affect the pricing and availability of the existing items in the cart
There was an unexpected error retrieving your customer data. Please try again later.
Choose Account Settings
Choose your account setting to continue*:
Main Account
(Sold To)
(Sold To)
Job Account/Sub Account
(Payer)
(Payer)
Show Availability For
Location
(Ship-To)
(Ship-To)
Changing the selections above may affect product pricing and availability, including items currently in your cart.
Loading
- I want to update or add a...
- Main Account (Sold-To)
- Job Account/Sub Account (Payer)
- Location (Ship-to)
- Need Help? Visit our Help Center or Contact Us
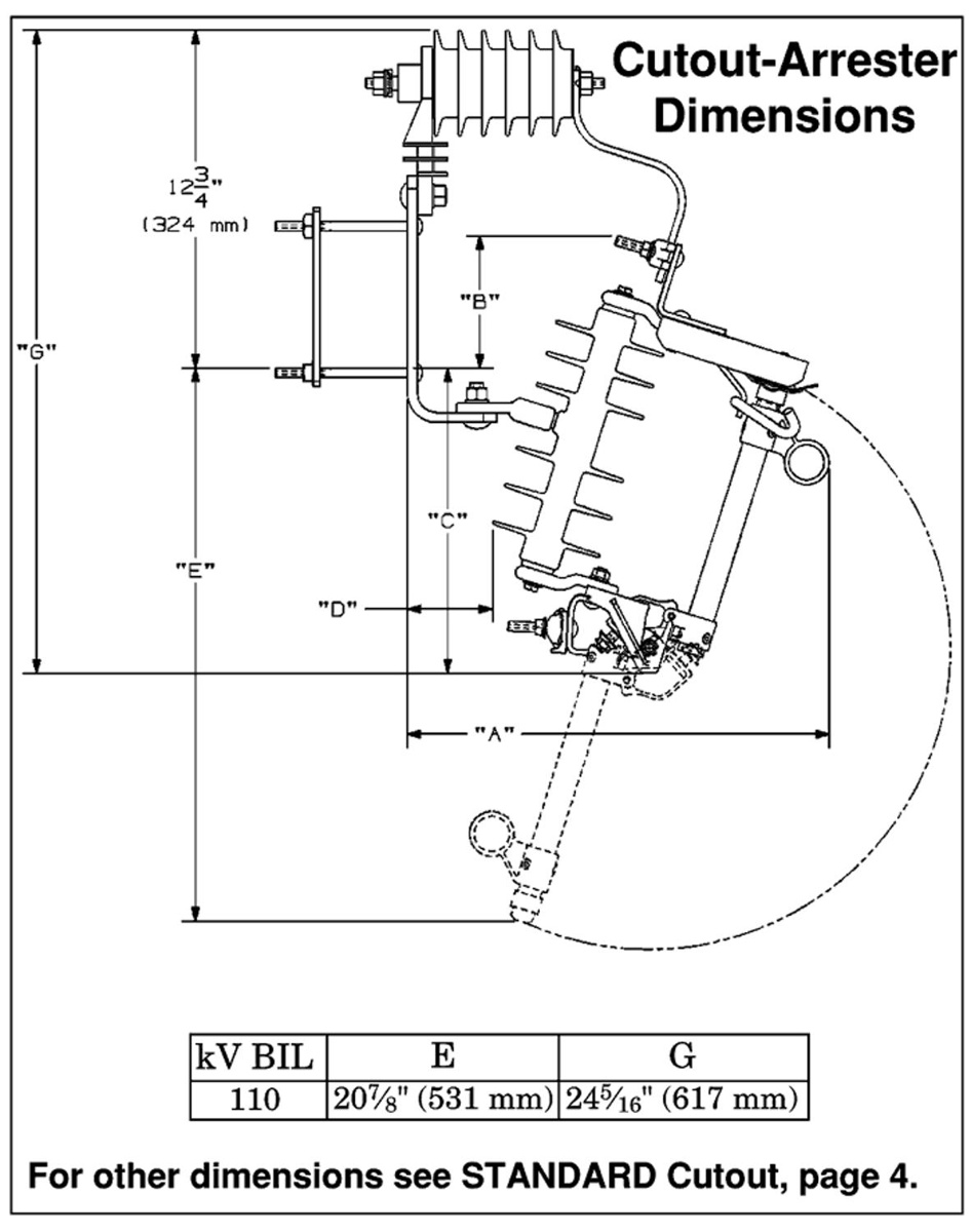
Hubbell Power Cutout / Arrester Combinations 15 kV 100 A 110 kV
Mfg #:
CP71FM112PB
BOR #:
2108922
Hubbell Power’s Chance Type C Standard cutout / arrester combinations pair a cutout together on a bracket with an Ohio Brass® MOV arrester.
- Provides lower total installed cost from faster installation and less space in storage, transit and service.
- Less space in storage, transit and service.
- Comes with loadbreak hooks for use with portable loadbreak tool.
- Fuseholders are interchangeable with other manufactures cutouts.
- All copper current path with silver-plated contacts.
- Terminals are tin-plated bronze for use with copper or aluminum conductors.
- RUS listed, meets ANSI/NEMA specifications and IEEE requirements.
- Fuseholders with arc shortening rods (link extender cap) are for use on single-phase to neutral or three-phase solidly grounded wye-connected circuits where recovery voltage does not exceed the maximum design voltage of the device.
| Brand | Hubbell Power |
| Configuration | Combo |
| Continuous Current Rating | 100 A |
| Leakage Distance | 12.6 in |
| Bracket Type | NEMA B |
| Housing Material | Polymer |
| Arrester Voltage Rating | 10 kV |
| BIL (kV) | 110 kV |
| Series | Type C |
| Voltage | 15 kV |
| Interrupting Rating | 10 kAIC |
| Weight | 21.8 lb |
| Connector Type | Parallel Groove |
The name already exists. Please enter a unique name.
Already Exists
List created successfully
You successfully added the product to your list with minimum order quantity.
Product Added
List updated successfully
empty name
There was a problem adding this product to your list. This may be because your list already contains 50 items.

